产品中心
中达电通台达DELTA
日本三菱MITSUBISHI
- MITSUBISHI三菱PLC
- MITSUBISHI三菱伺服
- MITSUBISHI三菱变频器
- MITSUBISHI三菱触摸屏
- MITSUBISHI三菱张力磁粉
- MITSUBISHI三菱数控配件
- MITSUBISHI三菱低压配件
日本欧姆龙OMRON
意大利杰佛伦GEFRAN
德国novotechnik
- novotechnik接触式直线传感器
- novotechnik非接触式直线传感器
- novotechnik接触式角度传感器
- novotechnik非接触式角度传感器
- novotechnik信号转换器
- novotechnik数显表
- novotechnik辅件
- novotechnik产品实物
德国Germanjet德敏哲位移传感器
- Germanjet德敏哲-12系列
- Germanjet德敏哲-15系列
- Germanjet德敏哲-16系列
- Germanjet德敏哲-17系列
- Germanjet德敏哲-18系列
- Germanjet德敏哲-19系列
- Germanjet德敏哲-卡座及配件
德国WAYCON
传感器|光栅尺|磁栅尺
土耳其欧普康OPKON
英国POSENSOR IXTHUS
ESSA光栅尺|Beta Scale比达尺
产品详情


主要特征:
● 接口模件集成于接头之内
● 标准输出:0…10V (BDH-010)
● 标准输出:4…20mA(BDH-420)
● 高线性
●低零位和满位热漂移
●可调的零位和满位
此信号调节器具有 0-10Vdc 和 4-20mA 输出,具有高稳定性的电子元件的电路制作而成,此线路具有1个4 极接头,零位和满位都可调,内部连接件可以90度旋转,此信号调节器可以在四个方向上安装。
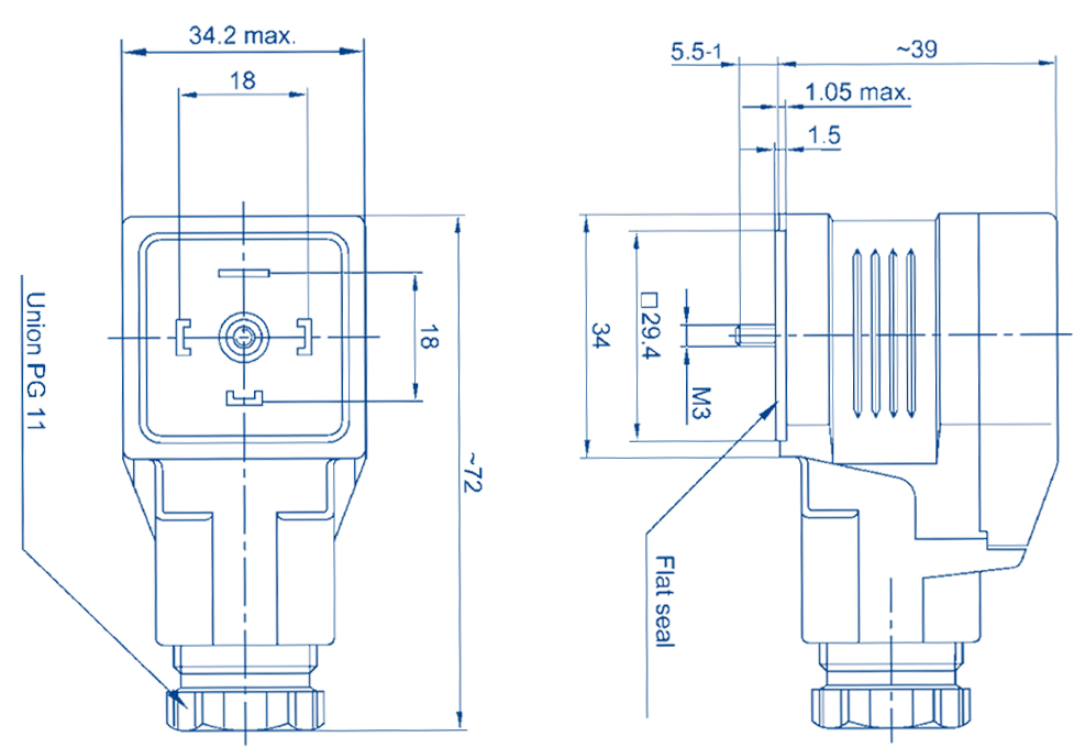
BDH信号转换器的尺寸图如下:

BDH信号转换器的接线图如下:








在线客服①