产品中心
中达电通台达DELTA
日本三菱MITSUBISHI
- MITSUBISHI三菱PLC
- MITSUBISHI三菱伺服
- MITSUBISHI三菱变频器
- MITSUBISHI三菱触摸屏
- MITSUBISHI三菱张力磁粉
- MITSUBISHI三菱数控配件
- MITSUBISHI三菱低压配件
日本欧姆龙OMRON
意大利杰佛伦GEFRAN
德国novotechnik
- novotechnik接触式直线传感器
- novotechnik非接触式直线传感器
- novotechnik接触式角度传感器
- novotechnik非接触式角度传感器
- novotechnik信号转换器
- novotechnik数显表
- novotechnik辅件
- novotechnik产品实物
德国Germanjet德敏哲位移传感器
- Germanjet德敏哲-12系列
- Germanjet德敏哲-15系列
- Germanjet德敏哲-16系列
- Germanjet德敏哲-17系列
- Germanjet德敏哲-18系列
- Germanjet德敏哲-19系列
- Germanjet德敏哲-卡座及配件
德国WAYCON
传感器|光栅尺|磁栅尺
土耳其欧普康OPKON
英国POSENSOR IXTHUS
ESSA光栅尺|Beta Scale比达尺
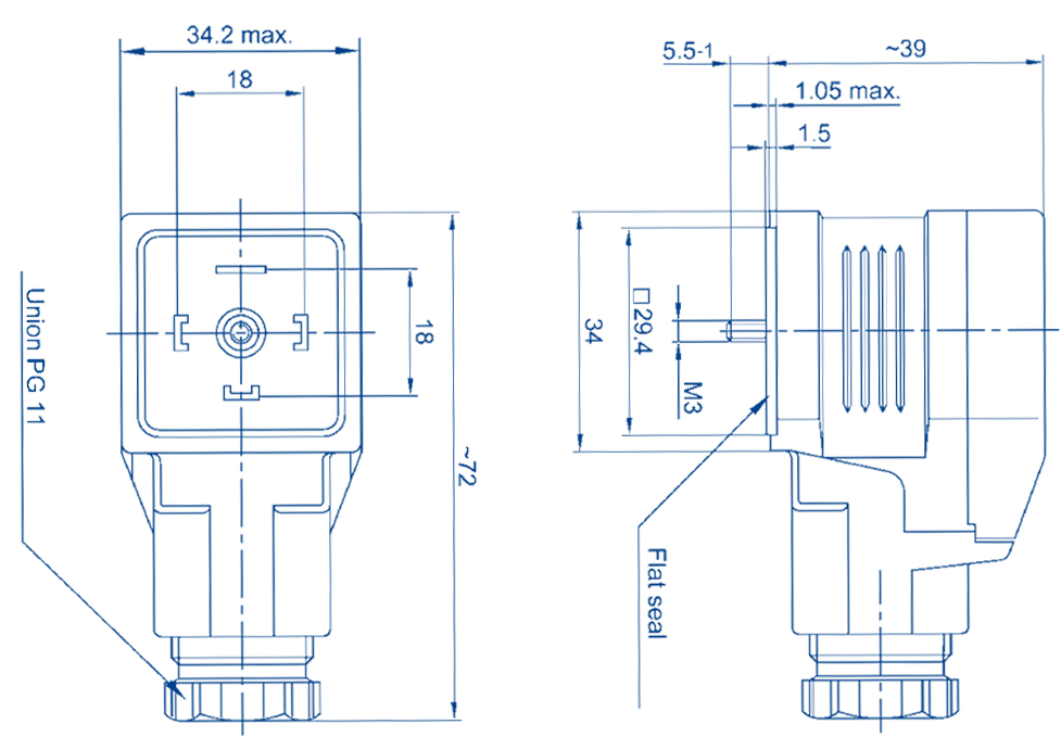
XDH信号转换器(引线式)
产品分类:BELLSENSOR信号转换器/仪表
产品描述:XINDUTECHNIK的XDH系列插头式信号变送器,XDH-420,XDH-010标准的4-20MA或者0-10V电压输出
订购热线:021-3466 3750
立即咨询
分享到:
产品详情

主要特征:
● 接口模件集成于接头之内
● 标准输出:0…10V (XDH-010)此款自引线1米,线的长度可根据客户订制
● 标准输出:4…20mA(XDH-420)此款自引线1米,线的长度可根据客户订制
● 高线性
●低零位和满位热漂移
●可调的零位和满位
此信号调节器具有 0-10Vdc 和 4-20mA 输出,具有高稳定性的电子元件的电路制作而成,此线路具有1个4 极接头,零位和满位都可调,内部连接件可以90度旋转,此信号调节器可以在四个方向上安装。
XDH信号转换器的尺寸图如下:

XDH信号转换器接线方式:
电流输出型XDH-420(两线制):
棕色线(BROWN):24V+
黑色线(BLACK) :4-20mA(Signal)
电压输出型XDH-010(三线制):
棕色线(BROWN):24V+
蓝色线(BLUE) :0V
黑色线(BLACK) :0-10V(Signal)









在线客服①